2023년04월08일 20번
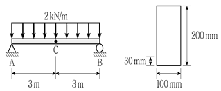
[과목 구분 없음] 그림과 같이 직사각형 단면의 단순보에 등분포하중이 작용할 때, C점의 단면 하단부에서 30mm만큼 떨어진 높이에 작용하는 휨응력의 크기[MPa]는? (단, 보의 자중은 무시한다)

- ① 4.05
- ② 6.75
- ③ 9.45
- ④ 13.5
(정답률: 72%)
문제 해설
이전 문제
다음 문제